П2К

П2К

Предназначены для коммутации цепей постоянного и переменного тока частотой до 20 МГц.
Сопротивление изоляции - не менее 1000 МОм
Сопротивление электрического контакта: не более 0,025 Ом
Электрическая прочность изоляции - 750В.
Температура окружающей среды: от -40° до +55°С
Усилие переключения при приемке и поставке
- для модулей на 2 и 4 групп коммутации 15 Н
- для модулей на 6 групп коммутации 17,5Н
- для модулей на 8 групп коммутации - 21,5 Н
Способ монтажа: печатный или объемный
Климатическое исполнение - УХЛ 2.1
Гарантийный срок хранения - 5 лет с даты изготовления
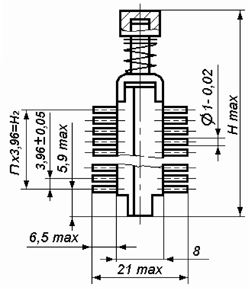
Габаритные размеры
Разметка для крепления
Варианты исполнения
Кол-во групп коммутации Способ фиксации Шаг (расстояние между осями модулей) Расположение выводов Форма кнопок Цвет кнопок
2
4
6
8
- с независимой фиксацией;
- с зависимой фиксацией;
- стартовая;
- со смешанной фиксацией;
- с зависимой фиксацией и нулевым модулем сброса
10 мм
15 мм
20 мм
- На две стороны
- На одну сторону
Круглая D10 мм или
прямоугольная с размерами
5,5 х 10 мм
7,5 х 15 мм
8 х 20 мм
Б - белый
Ч - черный
К - красный
Коммутационная способность
Род тока Imin - Imax, А Umin - Umax, В P max, Вт(ВА)
Постоянный 0,001 - 1 0,1 - 250 36
переменный 0,001 - 1,5 0,1 - 250 100
Количество переключающих контактов Количество выводов на сторону Н mах, n Масса модуля, г
2 6 42 2 8
4 12 54 5 10
6 18 66 8 12
8 24 78 11 14
Условные обозначения при заказе
Конструкция изделия позволяет получать более миллиона вариантов исполнения изделия. В связи с этим заказ может производиться по типовой номенклатуре и по картам заказа, которые приведены в технических условиях на изделие ЕЩО 360.037.
Обозначение переключателей при заказе должно содержать:
1) обозначение типа переключателя П2К;
2) обозначение фиксации Н - независимая, 3 - зависимая, С - стартовая
3) количество модулей в блоке;
4) шаг (расстояние между осями модулей);
5) количество групп коммутации в модуле (2, 4, 6, 8)
6) цвет кнопки (б, ч, к)
7) цифра «1» и «2» - вариант исполнения с односторонним расположением выводов:
- 1 - одностороннее расположение выводов со стороны корпуса;
- 2 - одностороннее расположение выводов со стороны крышки;
- при двухстороннем расположении выводов седьмой элемент отсутствует.