Соединители типов РПКМ1-РПКМ4

Соединители типов РПКМ1-РПКМ4

Применяются в радиоэлектронной и радиотехнической аппаратуре как соединители общего назначения
Стандарты: ОСТ В 11 012191, АВ0.364.040ТУ
Описание конструкции:
- врубные
- комбинированные: радиочастотные (РЧ) и низкочастотные (НЧ) контакты
- климатическое исполнение В
- кодирующий элемент
- покрытие контактов: золото, серебро
- метод монтажа: пайка
- пылебрызгозащищенные по стыку корпусов
Таблица 1. Условное обозначение контактов
Диаметр контакта, мм 1,0 1,5 РЧ контакт
Условное обозначение
Таблица 2
Номер РЧ контакта Марка присоединяемого кабеля Выходной диаметр гайки, мм
1 РК50-1-11, РК75-1-11, РК50-1-21, РК75-1-21 2,6
2 РК50-2-12, РК75-2-11, РК50-2-14, РК75-2-12
РК50-2-21, РК75-2-21, РК50-2-22, РК75-2-22
4,0
3 РК50-2-11,РК50-2-13 4,3
Характеристики
Механические
вибрация: диапазон частот, Гц 5…2500, ускорение, м/с2 150 (15g)
одиночные удары: ускорение, м/с2 5000 (500g)
многократные удары: ускорение, м/с2 750 (75g)
линейные нагрузки: ускорение, м/с2 1500 (150g)
Требования к надежности
минимальная наработка, ч 10000; при числе сочленений расчленений 500
минимальный срок сохраняемости, лет 20
Электрические
максимальное рабочее напряжение постоянного тока см. схемы расположения контактов
рабочий ток на контакт см. схемы расположения контактов
сопротивление электрического контакта, не более, мОм D1,0-5 1,5-2,5 РЧ-10
сопротивление изоляции в нормальных климатических условиях, не менее низкочастотных соединителей 5000 МОм, радиочастотных соединителей 1000 МОм
Климатические
температура окружающей среды, °С от минус 60 до плюс 100
смена температур, °С от минус 60 до плюс 120 (с учетом температуры перегрева контактов)
атмосферное пониженное рабочее давление Па (мм рт.ст.) 1,3•10-4(1•10-6)
Обозначение РПКМ 67/32 Ш/Г 1 -0/1 –В
Тип
1 - одинарный соединитель с серебрёными контактами
2 - одинарный соединитель с золочёными контактами
3 - сдвоенный соединитель с серебрёными контактами
4 - сдвоенный соединитель с золочёными контактами
           
Количество контактов (см. примечание 1)            
Вид контактов: Ш - вилка (штырь) Г - розетка (гнездо)            
Конструктивное исполнение:
Вилка:
1 - без кожуха
Розетка:
1 - без кожуха, корпус с отверстиями для крепления кожуха
3 - без кожуха, корпус без отверстий для крепления кожуха
4 - с кожухом ( не изготовляется)
           
Дополнительное обозначение номера радиочастотных контактов (см. примечание 2)            
Всеклиматическое исполнение            
Примечания:
1. Количество контактов соединителей типов РПКМ1, РПКМ2 обозначается целым числом. Количество контактов соединителей типов РПКМ3, РПКМ4 (сдвоенных) обозначается дробью, в числителе которой число контактов в верхней (там, где на корпусе надпись«Верх»), а в знаменателе число контактов в нижней схеме расположения контактов. В случае отсутствия одной из схем расположения контактов в сдвоенном соединителе условно вместо нее проставляется буква «С» (РПКМ3С/67Ш1В).
2. Номер радиочастотных контактов указывается для схем расположения контактов, в которых предусмотрены радиочастотные контакты. В сдвоенном соединителе, если в одной из схем расположения контактов нет радиочастотных контактов ставится «0» ( РПКМ3-67/34Ш1-0/1-В).
В случае отсутствия одной из схем расположения контактов в сдвоенном соединителе вместо нее в обозначении номера радиочастотных контактов ставится буква «С» (РПКМ3-С/32Г1-С/1-В). Конструкция и размеры соединителей приведены на рисунках 1-4.

Рисунок 1. Вилка одинарного соединителя
Lmax = 28 мм - для схем расположения контактов 1, 2, 3, 4, 5
Lmax = 38мм - для схем расположения контактов 6, 7

Рисунок 2. Розетка одинарного соединителя
Lmax = 25 мм - для схем расположения контактов 1, 2, 3, 4, 5
Lmax = 35мм - для схем расположения контактов 6, 7
Примечание: Розетка изготавливается без 4 отверстий М2,5 - для конструктивного исполнения 3

Рисунок 3. Вилка сдвоенного соединителя
Lmax = 28 мм - для схем расположения контактов 1, 2, 3, 4, 5
Lmax = 38мм - для схем расположения контактов 6, 7

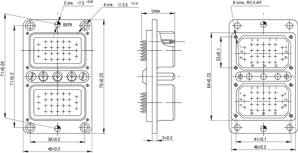
Рисунок 4. Розетка сдвоенного соединителя
Lmax = 25 мм - для схем расположения контактов 1, 2, 3, 4, 5
Lmax = 35мм - для схем расположения контактов 6, 7
Примечание: Розетка изготавливается без 4 отверстий М2,5 - для конструктивного исп. 3
Таблица 3. Схемы расположения контактов
Схема расположения контактов Номер схемы Диаметр контактов Кол-во контактов Рабочий ток на контакт, не более, А Номера контактов, находящихся под максимальным напряжением Максимальное рабочее напряжение, не более, В
одинарный сдвоенный
1 1,5 26 3,7 3,0 1-5
8-12
15-19
22-26
350
6, 7
13, 14
20, 21
800
2 1,5 38 3,3 2,6 1-38 350
3 1,0 45 1,6 1,3 1-6, 8, 9, 11
12, 14-19
21, 22, 24
25, 27-32
34, 35, 37
38, 40, 45
400
7, 10, 13
20, 23, 26
33, 36, 39
1000
4 1,0 57 1,6 1,3 57 400
5 1,0 64 1,2 1,0 1-10
58-67
100
1,5 3 7,0 6,0 11-57 350
6 1,0 30 2,0 1,6 1-4, 6-7,
9-12, 14-17,
19-22, 24,
25, 27-30
400
5, 8, 13, 18, 23, 26 1000
РЧ 2 - - В1, В2 100
7 РЧ 6 - - В1 - В6 100
Указания по эксплуатации
Минимальная наработка может быть доведена до 100000 ч при снижении максимальной температуры соединителя до 68°С.При применении, монтаже и эксплуатации соединителей следует руководствоваться ОСТВ11 0121 и АВО.364.040 ТО. Хвостовики контактов соединителей допускают подсоединение проводов сечением 0,35мм2 для контактов диаметром 1 мм и сечением 1мм2 для контактов диаметром 1,5 мм.
Примечание: Для трех номеров РЧ контактов марка присоединяемого кабеля и выходной диаметр гайки приведены в таблице 2.