Соединители типа СНП49, СНП50, СНО60, СНО61, СНО68, СНО69 |
Применяются в квазиэлектронных АТС и другой аппаратуре. Стандарты НЕСК.434416.003 ТУ. Взаимозаменяемы и взаимосочленяемы с соединителями, выпускаемыми по бРО.364.022 ТУ
Описание конструкции:
- врубные
- климатическое исполнение В
- покрытие контактов: золото, серебро
- метод монтажа: пайка, накрутка |
| Технические характеристики |
Механические |
вибрация: диапазон частот, Гц - ускорение, м/с2 |
1...2000 - 100 (10g) |
одиночные удары: ускорение, м/с2 |
5000 (500g) |
многократные удары: ускорение, м/с2 |
400 (40g) |
линейные нагрузки: ускорение, м/с2 |
250 (25g) |
Требования к надежности |
минимальная наработка, ч |
10000 |
при числе сочленений-расчленений |
500 |
минимальный срок сохраняемости, лет |
15 |
Электрические |
максимальное рабочее напряжение (амплитудное значение), не более |
250 В |
рабочий ток на контакт, не более |
2 А |
сопротивление электрического контакта, не более |
0,015 Ом |
сопротивление изоляции в нормальных климатических условиях, не менее |
5000 МОм |
Климатические |
температура окружающей среды, °С |
от -60 до +70 |
смена температур, °С (с учетом температуры перегрева контактов) |
от -60 до +100 |
атмосферное пониженное давление рабочее Па (мм рт.ст.) |
1,3•104 (10-6) |
|
| СНО61- |
36/ |
56х18 |
Р- |
2 |
В |
Тип
СНП49 - соединители для печатного монтажа с покрытием контактов золотом
СНП50 - соединители для печатного монтажа с покрытием контактов серебром
СНО60, СНО68 - соединители для объемного монтажа с покрытием контактов золотом
СНО61, СНО69 - соединители для объемного монтажа с покрытием контактов серебром |
|
|
|
|
|
Количество контактов |
|
|
|
|
|
Условный размер соединителя (длина и ширина) |
|
|
|
|
|
Вид контакта: В - вилка (штырь) Р - розетка (гнездо) |
|
|
|
|
|
Конструктивное исполнение:
1 - приборный соединитель (с прямыми контактами) под объемный монтаж накруткой (СНО60,СНО61), пайкой (СНО68, СНО69)
2 - кабельный соединитель ( с прямыми контактами) под объемный монтаж накруткой (СНО60,СНО61), пайкой (СНО68, СНО69)
21 - прямая вилка ( с прямыми контактами) для печатного монтажа
22 - угловая розетка ( с изогнутыми контактами) для печатного монтажа |
|
|
|
|
|
Всеклиматическое исполнение |
|
|
|
|
|
|
| Схемы расположения контактов |
Номер схемы расположения контактов |
Количество контактов |
 |
1 |
28 |
 |
2 |
56 |
 |
3 |
84 |
 |
4 |
18 |
 |
5 |
36 |
 |
6 |
54 |
 |
7 |
72 |
| Конструкция и размеры соединителей типов СНП49, СНП50, СНО60, СНО61, СНО68, СНО69 приведены на рисунках 1-15 и в таблицах 1-15 |
|
| Таблица 1 |
| Обозначение |
Номер схемы расположения контактов |
Е, мм |
*Масса, г, не более |
СНП49-84/185х14В-21-В
СНП50-84/185х14В-21-В
СНП60-84/185х14В-2-В
СНП61-84/185х14В-2-В |
3 |
0,55 |
33 |
| 1,05 |
37 |
СНП49-56/185х14В-21-В
СНП50-56/185х14В-21-В
СНП60-56/185х14В-2-В
СНП61-56/185х14В-2-В |
2 |
0,55 |
30 |
| 1,05 |
35 |
СНП49-28/185х14В-21-В
СНП50-28/185х14В-21-В
СНП60-28/185х14В-2-В
СНП61-28/185х14В-2-В |
1 |
0,55 |
28 |
| 1,05 |
29 |
| *Масса вилок типов СНП49,СНП50 указана без учета массы планки. |
|
 *Размеры для справок.
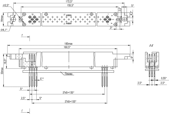
**Размеры после покрытия.Вилки типов СПН49, СНП50 комплектуются планкой. Рис. 1 - Вилки типов СНП49, СНП50, СНО60, СНО61 на 28, 56, 84 контакта |
| Таблица 2 |
| Обозначение |
Номер схемы расположения контактов |
Е, мм |
*Масса, г, не более |
СНП49-84/172х14В-21-В
СНП50-84/172х14В-21-В
СНП60-84/172х14В-2-В
СНП61-84/172х14В-2-В |
3 |
0,55 |
38 |
| 1,05 |
42 |
СНП49-56/172х14В-21-В
СНП50-56/172х14В-21-В
СНП60-56/172х14В-2-В
СНП61-56/172х14В-2-В |
2 |
0,55 |
35 |
1,05 |
40 |
СНП49-28/172х14В-21-В
СНП50-28/172х14В-21-В
СНП60-28/172х14В-2-В
СНП61-28/172х14В-2-В |
1 |
0,55 |
33 |
1,05 |
34 |
*Масса вилок типов СНП49,СНП50 указана без учета массы планки. |
|
 *Размеры для справок
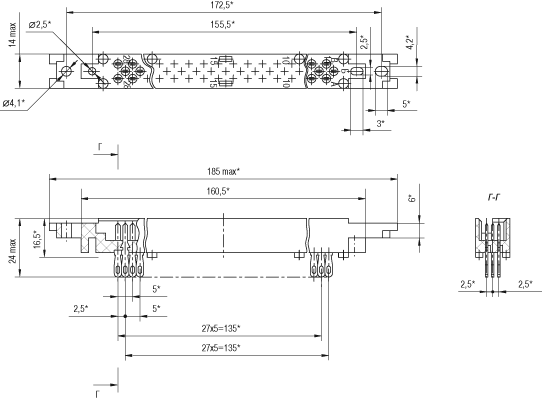
Рисунок 2 - Вилки типов СНО68, СНО69 на 28, 56, 84 контакта |
| Таблица 3 |
| Обозначение |
Номер схемы расположения контактов |
Масса, г, не более |
СНО68-84/185х14В-2-В
СНО69-84/185х14В-2-В |
3 |
34 |
СНО68-56/185х14В-2-В
СНО69-56/185х14В-2-В |
2 |
30 |
СНО68-28/185х14В-2-В
СНО69-28/185х14В-2-В |
1 |
27 |
|
 *Размеры для справок.
**Размеры после покрытия.Вилки типов СПН49, СНП50 комплектуются планкой. Рисунок 3 - Вилки типов СНП49, СНП50, СНО60, СНО61 на 28, 56, 84 контакта |
| Таблица 4 |
| Обозначение |
Номер схемы расположения контактов |
Масса, г, не более |
СНО68-84/172х14В-2-В
СНО69-84/172х14В-2-В |
3 |
39 |
СНО68-56/172х14В-2-В
СНО69-56/172х14В-2-В |
2 |
35 |
СНО68-28/172х14В-2-В
СНО69-28/172х14В-2-В |
1 |
32 |
|
 *Размеры для справок
Рисунок 4 - Вилки типов СНО68, СНО69 на 28, 56,84 контакта |
| Таблица 5 |
| Обозначение |
Номер схемы расположения контактов |
Рис |
Масса, г,не более |
СНП49-84/163х10Р-22-В
СНП50-84/163х10Р-22-В |
3 |
1 |
38 |
СНП49-56/163х10Р-22-В
СНП50-56/163х10Р-22-В |
2 |
2 |
32 |
СНП49-28/163х10Р-22-В
СНП50-28/163х10Р-22-В |
1 |
3 |
27 |
|

*Размеры для справок
**Размеры после покрытия Рисунок 5 - Розетки типов СНП49, СНП50 |
| Таблица 6 |
| Обозначение |
Номер схемы расположения контактов |
Масса, г, не более |
СНП49-56/163х10Р-22-В
СНП50-56/163х10Р-22-В |
2 |
29 |
СНП49-28/163х10Р-22-В
СНП50-28/163х10Р-22-В |
1 |
23 |
|
 **Размеры после покрытия
Рис. 6 - Розетки типов СНП49, СНП50 (вар. исполн. изолятора для розетки на 28, 56 контактов) |
| Таблица 7 |
| Обозначение |
Номер схемы расположения контактов |
Масса, г, не более |
СНП49-28/163х10Р-22-В
СНП50-28/163х10Р-22-В |
1 |
20 |
|
 *Размеры для справок
**Размеры после покрытия Рис. 7 - Розетки типов СНП49, СНП50 (вар. исполнения изолятора для розетки на 28 контактов) |
| Таблица 8 |
| Обозначение |
Номер схемы расположения контактов |
Рисунок |
Размеры, мм |
Масса, г, не более |
| Б |
Н |
СНП49-18/70х14В-21-В
СНП50-18/70х14В-21-В
СНО60-18/70х14В-1-В
СНО61-18/70х14В-1-В |
4 |
1 |
0,5 |
33,0 |
13 |
| 1,0 |
СНО68-18/70х14В-1-В
СНО69-18/70х14В-1-В |
4 |
2 |
- |
24,5 |
|
 *Размеры для справок
Рисунок 8 - Вилки типа СНП49, СНП50, СНО60, СНО61, СНО68, СНО69 |
| Таблица 9 |
| Обозначение |
Номер схемы расположения контактов |
Рисунок |
Размеры, мм |
Масса, г, не более |
| Б |
Н |
СНП49-36/70х19В-21-В
СНП50-36/70х19В-21-В
СНО60-36/70х19В-1-В
СНО61-36/70х19В-1-В |
5 |
1 |
0,5 |
33,0 |
17 |
| 1,0 |
18 |
СНО68-36/70х19В-1-В
СНО69-36/70х19В-1-В |
5 |
2 |
- |
24,5 |
18 |
|
 *Размеры для справок
Рисунок 9 - Вилки типа СНП49, СНП50, СНО60, СНО61, СНО68, СНО69 |
| Таблица 10 |
| Обозначение |
Номер схемы расположения контактов |
Рисунок |
Размеры, мм |
Масса, г, не более |
| Б |
Н |
СНП49-54/70х24В-21-В
СНП50-54/70х24В-21-В
СНО60-54/70х24В-1-В
СНО61-54/70х24В-1-В |
6 |
1 |
0,5 |
33,0 |
20 |
| 1,0 |
22 |
СНО68-54/70х24В-1-В
СНО69-54/70х24В-1-В |
б |
2 |
- |
24,5 |
22 |
|
 *Размеры для справок
Рисунок 10 - Вилки типа СНП49, СНП50, СНО61, СНО68, СНО69 |
| Таблица 11 |
| Обозначение |
Номер схемы расположения контактов |
Рисунок |
Размеры, мм |
Масса, г, не более |
| Б |
Н |
СНП49-72/70х29В-21-В
СНП50-72/70х29В-21-В
СНО60-72/70х29В-1-В
СНО61-72/70х29В-1-В |
7 |
1 |
0,5 |
33 |
23 |
| 1,0 |
27 |
СНО68-72/70х29В-1-В
СНО69-72/70х29В-1-В |
7 |
2 |
- |
24,5 |
27 |
|
 *Размеры для справок Рисунок 11 - Вилки типа СНП49, СНП50,СНО60,СНО61,СНО68,СНО69 |
| Таблица 12 |
| Обозначение |
Номер схемы расположения контактов |
Масса, г, не более |
СНО60-18/56х13Р-2-В
СНО61-18/56х13Р-2-В |
4 |
12 |
|
 *Размеры для справок Рисунок 12 - Розетки типов СНО60, СНО61 |
| Таблица 13 |
| Обозначение |
Номер схемы расположения контактов |
Масса, г, не более |
СНО60-36/56х18Р-2-В
СНО61-36/56х18Р-2-В |
5 |
19 |
|
 *Размеры для справок Рисунок 13 - Розетки типа СНО60,СНО61 |
| Таблица 14 |
| Обозначение |
Номер схемы расположения контактов |
Масса, г, не более |
СНО60-54/56х23Р-2-В
СНО61-54/56х23Р-2-В |
6 |
25 |
|
 *Размеры для справок Рисунок 14 - Розетки типа СНО60, СНО61 |
| Таблица 15 |
| Обозначение |
Номер схемы расположения контактов |
Масса, г, не более |
СНО60-72/56х28Р-2-В
СНО61-72/56х28Р-2-В |
6 |
34 |
|
 *Размеры для справок Рисунок 15 - Розетки типа СНО60, СНО61 |