Тиристоры низкочастотные

Тиристоры cимметричные

Основные параметры:
Uзс п. - Повторяющееся импульсное напряжение в закрытом состоянии
Iос ср. - Средний ток в открытом состоянии
Iос д макс. - Максимальный действующий ток в открытом состоянии
Iос уд нп.- Ударный неповторяющийся ток в открытом состоянии ( при tипм=10мс, Uобр=0 )

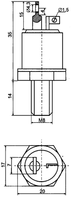
ТС112

ТС122

ТС132

ТС142

ТС106

 
ТС151, 161, 171, Тб261, Тл271
Наименование Uзс п., В Iос ср., А Iос уд., кА (dUзс/dT) кр., В/мкс Tп макс., °С
ТС106-10-… 100-800 10 0,11 20 110
ТС106-16-… 100-800 16 0,13 20 110
ТС112-10-… 100-1200 10 0,09 50 125
ТС112-16-… 100-1200 16 0,12 50 125
ТС122-25-… 100-1200 25 0,118 50 125
ТС132-50-… 100-1200 50 0,35 63 125
ТС142-80-… 100-1200 80 0,55 63 125
ТС161-160-… 200-1300 160 1,8 6,3-100,0 125
ТС161-200-… 200-1300 200 2,0 6,3-100,0 125
ТС171-250-… 300-1400 250 3,0 6,3-100,0 125
ТС171-320-… 300-1400 320 3,3 6,3-100,0 125
  Габаритные размеры, мм
А В СMAX D Е F G Н
ТС151 19тах 150 70MAX 18 Е27 М12 D30,5 160
ТС161 21тах 200±15 85MAX 16 Е32 М20х1,5 D35,5 215±5
ТС(Л)171 21 max 250±15 110MAX 19 Б41 М24х1,5 D45,5 265±10
ТБ261 21тах 200+15 85MAX 16 Е32 М20х1,5 D35,5 215±5
ТЛ271 21 max 250±15 110MAX 19 Е41 М24х1,5 D45,5 265+10