+7 (495) 181-59-01
многоканальный
sale@rezonance.ru
Главная
Сертификаты
Продукция
Условия поставки
Техническая документация
Реквизиты
Контакты
Габаритные чертежи корпусов транзисторов
Габаритные чертежи корпусов транзисторов
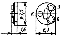
Рис. 1
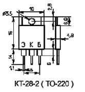
Рис. 2
Рис. 3
Рис. 4
Рис. 5
Рис. 6
Рис. 7
Рис. 8
Рис. 9
Рис. 10
Рис. 11
Рис. 12
Рис. 13
Рис. 14
Рис. 15
Рис. 16
Рис. 17
Рис. 18
Рис. 19
Рис. 20
Рис. 21
Рис. 22
Рис. 23
Рис. 24
Рис. 25
Рис. 26
Рис. 27
Рис. 28
Рис. 29